05070XS-05185-S Timken Tapered Roller Bearing 17.988x47.000x14.381mm
-
Brand:
-
Model:
05070XS-05185-S
-
Availability:
IN STOCK
-
Trade Terms:
CIF
-
Payment Terms:
100% T/T or Western Union or PAYPAL in advances
-
Delivery Terms:
1-3 working days upon your payment
-
Shipping Terms:
Express Delivery or Air or Sea
-
Price:
Please contact Email sales@hensenbearing.com
-
We can provide the certificate of origin to ensure genuine products.Fast delivery , 3 years warranty
- The real photos haven't been uploaded yet,please contact us by phone or email to view our detailed actual pictures.
We are a one-stop supplier of high quality bearings. We can supply the best products at the lowest price.
Product Description
05070XS-05185-S TS (Single Row Tapered Roller Bearings) (Imperial) consist of a tapered inner ring assembly and an outer ring. 05070XS-05185-S bore dia is 0.7082". Its out dia is 1.8504". 05070XS-05185-S roller material is Chrome Steel. Its seal type is Open. The 05070XS-05185-S TS (Single Row Tapered Roller Bearings) (Imperial) can bear both radial and axial loads with ease and provides low friction during operation even under the most severe conditions.
Typical applications include:
Gearing Systems and Transmissions, Thermal Power Coal Transporters, Port Equipment, Rubber and other Industrial applications, Machine Tool Spindles, Gear Reducer, Automotive Drive Axle, Aircraft wheels, Agricultural Wheels, Tensioning Roller, Raking Machine, Single Row and Mining Equipment, Railroad Axle-box, etc.
| CONE REFERENCE | CUP REFERENCE | ||||
|---|---|---|---|---|---|
| 05070 | XS | 05185 | S | ||
| Imperial Series | Cone Reference | DIfferent Bore, Width or Radius from Basic Part Number | Imperial Series | Cup Reference | Special Feature Bearing |
Product Detailed Parameter
-
- Brand:
-
- Model:
- 05070XS-05185-S
-
- Availability:
- IN STOCK
-
- Type:
- Tapered Roller Bearing
-
- Weight (Kg):
- 0.15 Kg
-
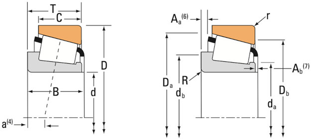
- d - Bore (mm):
- 17.988 mm
-
- D - Cup Outer Diameter (mm):
- 47 mm
-
- B - Cone Width (mm):
- 14.381 mm
-
- C - Cup Width (mm):
- 11.113 mm
-
- T - Bearing Width (mm):
- 14.381 mm
-
- C90 - Dynamic Radial Rating (90 million revolutions) (N):
- 6930 N
-
- C1- Dynamic Radial Rating (1 million revolutions) (N):
- 26700 N
-
- C0 - Static Radial Rating (N):
- 25400 N
-
- Ca90 - Dynamic Thrust Rating (90 million revolutions) (N):
- 4230 N
| Delivery Locations | Delivery Time |
| Europe | 1-3 Day |
| North america | 2-4 Day |
| Sounth america | 2-4 Day |
| Oceania | 2-4 Day |
| Asia | 1-3 Day |
| Africa | 2-5 Day |
| Delivery Locations | Delivery Time |
| Europe | 1-3 Day |
| North america | 2-4 Day |
| Sounth america | 2-4 Day |
| Oceania | 2-4 Day |
| Asia | 1-3 Day |
| Africa | 2-5 Day |
Hongkong Hensen Bearing Co.,Ltd is a supplier of international professional import bearing with 20 years business history, we mainly offer: SKF、FAG、INA、TIMKEN、NSK、NTN、KOYO、NACHI、IKO、FYH、ASAHI、THK original imported brand bearings, if you want to know more information or to place an order for TIMKEN 05070XS-05185-S ,Please feel free to contact me.
Our products have wide models, delivery on time, We can provide standard and non-standard products, we are committed to providing customers with high-quality pre-sale service and after-sale service. Give you high quality products and excellent service, at the lowest price provide the best quality bearings, adhere to the concept of "take the customer as the center".We listen to the user's feedback information any time, to serve our customers better and perfect.
We promise that we can offer the best products with best service to our customers. We will provide the TIMKEN 05070XS-05185-S with best quality and competitive price for you.If you need TIMKEN 05070XS-05185-S or other brand 05070XS-05185-S Please feel free to contact us. Email:sales@hensenbearing.com
Inquiry us
Related Products
-
TIMKEN L68149P-L68110 Tapered Roller Bearing **
-
TIMKEN 25580 - 25547RB Tapered Roller Bearing **
-
TIMKEN L812148/L812111 Tapered Roller Bearing **
-
TIMKEN 02476/02420A Tapered Roller Bearing **
-
TIMKEN LM67048-LM67010 Tapered Roller Bearing **
-
TIMKEN 460 - 452 Tapered Roller Bearing **
-
TIMKEN 3776 - 3720V Tapered Roller Bearing **
-
TIMKEN 3775 - 3720 Tapered Roller Bearing **