17098X-17244A Timken Tapered Roller Bearing 25.001x61.981x16.002mm
-
Brand:
-
Model:
17098X-17244A
-
Availability:
IN STOCK
-
Trade Terms:
CIF
-
Payment Terms:
100% T/T or Western Union or PAYPAL in advances
-
Delivery Terms:
1-3 working days upon your payment
-
Shipping Terms:
Express Delivery or Air or Sea
-
Price:
Please contact Email sales@hensenbearing.com
-
We can provide the certificate of origin to ensure genuine products.Fast delivery , 3 years warranty
- The real photos haven't been uploaded yet,please contact us by phone or email to view our detailed actual pictures.
We are a one-stop supplier of high quality bearings. We can supply the best products at the lowest price.
Product Description
Timken 17098X-17244A TS (Single Row Tapered Roller Bearings) (Imperial) consist of a tapered inner ring assembly and an outer ring. 17098X-17244A bore dia is 0.984300". Its out dia is 2.440200". 17098X-17244A roller material is Chrome Steel. Its seal type is Seal_Bearing. The 17098X-17244A TS (Single Row Tapered Roller Bearings) (Imperial) can bear both radial and axial loads with ease and provides low friction during operation even under the most severe conditions.
Timken offers the most extensive line of tapered roller bearings in the world. Tapered roller bearings consist of four interdependent components: the cone (inner ring), the cup (outer ring), the tapered rollers (rolling elements) and the cage (roller retainer). Tapered roller bearings are uniquely designed to manage both thrust and radial loads between a rotating and non-rotating member. The steeper the cup angle, the greater the ability of the bearing to handle thrust loads.
Industries:
Aerospace, agriculture, automotive, heavy truck, cement, aggregate, coal, oil and gas, construction, gear drives, machine tools, mining, paper, metals, rail and wind.
| CONE REFERENCE | CUP REFERENCE | ||||
|---|---|---|---|---|---|
| 17098 | X | 17244 | A | ||
| Imperial Series | Cone Reference | Slot or Keyway | Imperial Series | Cup Reference | Different OD, Radius or Width from Basic Part Number |
Product Detailed Parameter
-
- Brand:
-
- Model:
- 17098X-17244A
-
- Availability:
- IN STOCK
-
- Type:
- Tapered Roller Bearing
-
- Mass (Kg):
- 0.3 Kg
-
- Basic Dynamic Load Rating Cr (kN):
- \
-
- Cone Part Number:
- 17098A
-
- Cup Part Number:
- 17244X
-
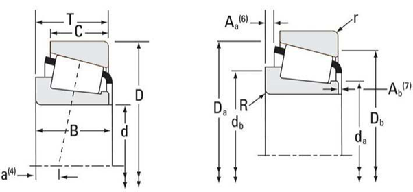
- d - Bore (mm):
- 25.001
-
- D - Cup Outer Diameter (mm):
- 61.981
-
- B - Cone Width (mm):
- 16.566
-
- C - Cup Width (mm):
- 14.288
-
- T - Bearing Width (mm):
- 16.002
-
- C90 - Dynamic Radial Rating (90 million revolutions) (N):
- 11200
-
- C1- Dynamic Radial Rating (1 million revolutions) (N):
- 43200
-
- C0 - Static Radial Rating (N):
- 44100
-
- Ca90 - Dynamic Thrust Rating (90 million revolutions) (N):
- 7340
| Delivery Locations | Delivery Time |
| Europe | 1-3 Day |
| North america | 2-4 Day |
| Sounth america | 2-4 Day |
| Oceania | 2-4 Day |
| Asia | 1-3 Day |
| Africa | 2-5 Day |
| Delivery Locations | Delivery Time |
| Europe | 1-3 Day |
| North america | 2-4 Day |
| Sounth america | 2-4 Day |
| Oceania | 2-4 Day |
| Asia | 1-3 Day |
| Africa | 2-5 Day |
Hongkong Hensen Bearing Co.,Ltd is a supplier of international professional import bearing with 20 years business history, we mainly offer: SKF、FAG、INA、TIMKEN、NSK、NTN、KOYO、NACHI、IKO、FYH、ASAHI、THK original imported brand bearings, if you want to know more information or to place an order for TIMKEN 17098X-17244A,Please feel free to contact me.
Our products have wide models, delivery on time, We can provide standard and non-standard products, we are committed to providing customers with high-quality pre-sale service and after-sale service. Give you high quality products and excellent service, at the lowest price provide the best quality bearings, adhere to the concept of "take the customer as the center".We listen to the user's feedback information any time, to serve our customers better and perfect.
We promise that we can offer the best products with best service to our customers. We will provide the TIMKEN 17098X-17244A with best quality and competitive price for you.If you need TIMKEN 17098X-17244A or other brand 17098X-17244A Please feel free to contact us. Email:sales@hensenbearing.com
Inquiry us
Related Products
-
TIMKEN 14139X-14274 Tapered Roller Bearing **
-
TIMKEN 27879-27821 Tapered Roller Bearing **
-
FAG 30303-A Tapered Roller Bearing 17*47*15.25
-
TIMKEN 2777-2729 Tapered Roller Bearing **
-
TIMKEN 3778 - 3720 Tapered Roller Bearing **
-
TIMKEN 14139-14283 Tapered Roller Bearing **
-
FAG 33213-A Tapered Roller Bearing 65*120*41
-
TIMKEN LM501349HP - LM501314 Tapered Roller Bearing **