66589 - 66520 Timken Tapered Roller Bearing 59.972x122.238x33.338 mm
- 
							Brand:  
- 
							Model:66589 - 66520 
- 
							Availability:IN STOCK 
- 
							Trade Terms:CIF 
- 
							Payment Terms:100% T/T or Western Union or PAYPAL in advances 
- 
							Delivery Terms:1-3 working days upon your payment 
- 
							Shipping Terms:Express Delivery or Air or Sea 
- 
							Price:Please contact Email sales@hensenbearing.com 
- 
						    We can provide the certificate of origin to ensure genuine products.Fast delivery , 3 years warranty 
- The real photos haven't been uploaded yet,please contact us by phone or email to view our detailed actual pictures.
We are a one-stop supplier of high quality bearings. We can supply the best products at the lowest price.
 
			 
			Product Description
Timken 66589 - 66520 Imperial taper roller bearing priced cup & cone together 2.3611 inch (59.972 mm) inside x 4.8125 inch (122.238 mm) outside x 1.3125 inch (33.338 mm) width
Timken offers the most extensive line of tapered roller bearings in the world. Tapered roller bearings consist of four interdependent components: the cone (inner ring), the cup (outer ring), the tapered rollers (rolling elements) and the cage (roller retainer). Tapered roller bearings are uniquely designed to manage both thrust and radial loads between a rotating and non-rotating member. The steeper the cup angle, the greater the ability of the bearing to handle thrust loads.
Industries:
Aerospace, agriculture, automotive, heavy truck, cement, aggregate, coal, oil and gas, construction, gear drives, machine tools, mining, paper, metals, rail and wind.
| CONE REFERENCE | CUP REFERENCE | ||||
|---|---|---|---|---|---|
| 66589 | 66520 | ||||
| Imperial Series | Cone Reference | Imperial Series | Cup Reference | ||
Product Detailed Parameter
- 
							- Brand:
  
- 
							- Model:
- 66589 - 66520
- 
							- Availability:
- IN STOCK
- 
							- Type:
- Tapered Roller Bearing
- 
							- Weight (Kg):
- 1.8 Kg
- 
							- Cone Part Number:
- 66589
- 
							- Cup Part Number:
- 66520
- 
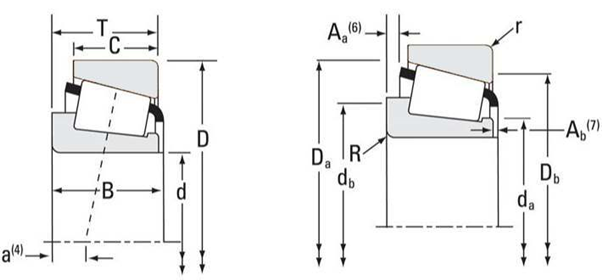
							- d - Bore (mm):
- 59.972
- 
							- D - Cup Outer Diameter (mm):
- 122.238
- 
							- B - Cone Width (mm):
- 31.750
- 
							- C - Cup Width (mm):
- 23.813
- 
							- T - Bearing Width (mm):
- 33.338
- 
							- C90 - Dynamic Radial Rating (90 million revolutions) (N):
- 47500
- 
							- C1- Dynamic Radial Rating (1 million revolutions) (N):
- 183000
- 
							- C0 - Static Radial Rating (N):
- 178000
- 
							- Ca90 - Dynamic Thrust Rating (90 million revolutions) (N):
- 54100
 
					| Delivery Locations | Delivery Time | 
| Europe | 1-3 Day | 
| North america | 2-4 Day | 
| Sounth america | 2-4 Day | 
| Oceania | 2-4 Day | 
| Asia | 1-3 Day | 
| Africa | 2-5 Day | 
 
				| Delivery Locations | Delivery Time | 
| Europe | 1-3 Day | 
| North america | 2-4 Day | 
| Sounth america | 2-4 Day | 
| Oceania | 2-4 Day | 
| Asia | 1-3 Day | 
| Africa | 2-5 Day | 
							Hongkong Hensen Bearing Co.,Ltd is a supplier of international professional import bearing with 20 years business history, we mainly offer: SKF、FAG、INA、TIMKEN、NSK、NTN、KOYO、NACHI、IKO、FYH、ASAHI、THK original imported brand bearings, if you want to know more information or to place an order for TIMKEN 66589 - 66520,Please feel free to contact me.
							Our products have wide models, delivery on time, We can provide standard and non-standard products, we are committed to providing customers with high-quality pre-sale service and after-sale service. Give you high quality products and excellent service, at the lowest price provide the best quality bearings, adhere to the concept of "take the customer as the center".We listen to the user's feedback information any time, to serve our customers better and perfect.
							We promise that we can offer the best products with best service to our customers. We will provide the TIMKEN 66589 - 66520 with best quality and competitive price for you.If you need TIMKEN 66589 - 66520 or other brand 66589 - 66520 Please feel free to contact us. Email:sales@hensenbearing.com
							
						
Inquiry us
Related Products
- 
							
								    TIMKEN 14131-14284 Tapered Roller Bearing ** 
- 
							
								    TIMKEN 558 - 553A Tapered Roller Bearing ** 
- 
							
								    TIMKEN 78248C - 78551 Tapered Roller Bearing ** 
- 
							
								    FAG 30314-A Tapered Roller Bearing 70*150*38 
- 
							
								    TIMKEN LM48549/LM48510 Tapered Roller Bearing ** 
- 
							
								    TIMKEN 53178 - 53375 Tapered Roller Bearing ** 
- 
							
								    TIMKEN 469 - 453E Tapered Roller Bearing ** 
- 
							
								    TIMKEN 4553 - 4536 Tapered Roller Bearing ** 
 
        