745-S - 742 Timken Tapered Roller Bearing 63.500x150.089x44.450 mm
- 
							Brand:  
- 
							Model:745-S - 742 
- 
							Availability:IN STOCK 
- 
							Trade Terms:CIF 
- 
							Payment Terms:100% T/T or Western Union or PAYPAL in advances 
- 
							Delivery Terms:1-3 working days upon your payment 
- 
							Shipping Terms:Express Delivery or Air or Sea 
- 
							Price:Please contact Email sales@hensenbearing.com 
- 
						    We can provide the certificate of origin to ensure genuine products.Fast delivery , 3 years warranty 
- The real photos haven't been uploaded yet,please contact us by phone or email to view our detailed actual pictures.
We are a one-stop supplier of high quality bearings. We can supply the best products at the lowest price.
 
			 
			Product Description
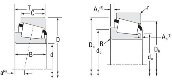
Timken 745-S - 742 Imperial taper roller bearing priced cup & cone together 2.5 inch (63.500 mm) inside x 5.9090 inch (150.089 mm) outside x 1.7500 inch (44.450 mm) width
 
Timken offers the most extensive line of tapered roller bearings in the world. Tapered roller bearings consist of four interdependent components: the cone (inner ring), the cup (outer ring), the tapered rollers (rolling elements) and the cage (roller retainer). Tapered roller bearings are uniquely designed to manage both thrust and radial loads between a rotating and non-rotating member. The steeper the cup angle, the greater the ability of the bearing to handle thrust loads.
Industries:
Aerospace, agriculture, automotive, heavy truck, cement, aggregate, coal, oil and gas, construction, gear drives, machine tools, mining, paper, metals, rail and wind.
| CONE REFERENCE | CUP REFERENCE | ||||
|---|---|---|---|---|---|
| 745 | S | 742 | |||
| Imperial Series | Cone Reference | Special Feature Bearing | Imperial Series | Cup Reference | |
Product Detailed Parameter
- 
							- Brand:
  
- 
							- Model:
- 745-S - 742
- 
							- Availability:
- IN STOCK
- 
							- Type:
- Tapered Roller Bearing
- 
							- Weight (Kg):
- 5.3 Kg
- 
							- Cone Part Number:
- 745-S
- 
							- Cup Part Number:
- 742
- 
							- d - Bore (mm):
- 63.500
- 
							- D - Cup Outer Diameter (mm):
- 150.089
- 
							- B - Cone Width (mm):
- 46.673
- 
							- C - Cup Width (mm):
- 36.513
- 
							- T - Bearing Width (mm):
- 44.450
- 
							- C90 - Dynamic Radial Rating (90 million revolutions) (N):
- 97600
- 
							- C1- Dynamic Radial Rating (1 million revolutions) (N):
- 377000
- 
							- C0 - Static Radial Rating (N):
- 417000
- 
							- Ca90 - Dynamic Thrust Rating (90 million revolutions) (N):
- 54400
 
					| Delivery Locations | Delivery Time | 
| Europe | 1-3 Day | 
| North america | 2-4 Day | 
| Sounth america | 2-4 Day | 
| Oceania | 2-4 Day | 
| Asia | 1-3 Day | 
| Africa | 2-5 Day | 
 
				| Delivery Locations | Delivery Time | 
| Europe | 1-3 Day | 
| North america | 2-4 Day | 
| Sounth america | 2-4 Day | 
| Oceania | 2-4 Day | 
| Asia | 1-3 Day | 
| Africa | 2-5 Day | 
							Hongkong Hensen Bearing Co.,Ltd is a supplier of international professional import bearing with 20 years business history, we mainly offer: SKF、FAG、INA、TIMKEN、NSK、NTN、KOYO、NACHI、IKO、FYH、ASAHI、THK original imported brand bearings, if you want to know more information or to place an order for TIMKEN 745-S - 742,Please feel free to contact me.
							Our products have wide models, delivery on time, We can provide standard and non-standard products, we are committed to providing customers with high-quality pre-sale service and after-sale service. Give you high quality products and excellent service, at the lowest price provide the best quality bearings, adhere to the concept of "take the customer as the center".We listen to the user's feedback information any time, to serve our customers better and perfect.
							We promise that we can offer the best products with best service to our customers. We will provide the TIMKEN 745-S - 742 with best quality and competitive price for you.If you need TIMKEN 745-S - 742 or other brand 745-S - 742 Please feel free to contact us. Email:sales@hensenbearing.com
							
						
Inquiry us
Related Products
- 
							
								    TIMKEN 26883-26830 Tapered Roller Bearing ** 
- 
							
								    TIMKEN HM88649A-HM88611AS Tapered Roller Bearing ** 
- 
							
								    TIMKEN 529X - V523 Tapered Roller Bearing ** 
- 
							
								    TIMKEN 29590 - 29522 Tapered Roller Bearing ** 
- 
							
								    TIMKEN 455A-453E Tapered Roller Bearing ** 
- 
							
								    TIMKEN 2684-2631 Tapered Roller Bearing ** 
- 
							
								    TIMKEN 09067/09201 Tapered Roller Bearing ** 
- 
							
								    TIMKEN 456/453 Tapered Roller Bearing ** 
 
        