39590A - 39528 Timken Tapered Roller Bearing 66.650x119.985x32.753 mm
- 
							Brand:  
- 
							Model:39590A - 39528 
- 
							Availability:IN STOCK 
- 
							Trade Terms:CIF 
- 
							Payment Terms:100% T/T or Western Union or PAYPAL in advances 
- 
							Delivery Terms:1-3 working days upon your payment 
- 
							Shipping Terms:Express Delivery or Air or Sea 
- 
							Price:Please contact Email sales@hensenbearing.com 
- 
						    We can provide the certificate of origin to ensure genuine products.Fast delivery , 3 years warranty 
- The real photos haven't been uploaded yet,please contact us by phone or email to view our detailed actual pictures.
We are a one-stop supplier of high quality bearings. We can supply the best products at the lowest price.
 
			 
			Product Description
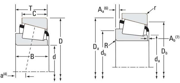
Timken 39590A - 39528 Imperial taper roller bearing priced cup & cone together 2.6240 inch (66.650 mm) inside x 4.7238 inch (119.985 mm) outside x 1.2895 inch (32.753 mm) width.
Timken offers the most extensive line of tapered roller bearings in the world. Tapered roller bearings consist of four interdependent components: the cone (inner ring), the cup (outer ring), the tapered rollers (rolling elements) and the cage (roller retainer). Tapered roller bearings are uniquely designed to manage both thrust and radial loads between a rotating and non-rotating member. The steeper the cup angle, the greater the ability of the bearing to handle thrust loads.
Industries:
Aerospace, agriculture, automotive, heavy truck, cement, aggregate, coal, oil and gas, construction, gear drives, machine tools, mining, paper, metals, rail and wind.
| CONE REFERENCE | CUP REFERENCE | ||||
|---|---|---|---|---|---|
| 39590 | A | 39528 | |||
| Imperial Series | Cone Reference | Different Bore, Radius or Complement of Rollers from Basic Part Number | Imperial Series | Cup Reference | |
Product Detailed Parameter
- 
							- Brand:
  
- 
							- Model:
- 39590A - 39528
- 
							- Availability:
- IN STOCK
- 
							- Type:
- Tapered Roller Bearing
- 
							- Weight (Kg):
- 1.6 Kg
- 
							- Cone Part Number:
- 39590A
- 
							- Cup Part Number:
- 39528
- 
							- d - Bore (mm):
- 66.650
- 
							- D - Cup Outer Diameter (mm):
- 119.985
- 
							- B - Cone Width (mm):
- 30.163
- 
							- C - Cup Width (mm):
- 26.949
- 
							- T - Bearing Width (mm):
- 32.753
- 
							- C90 - Dynamic Radial Rating (90 million revolutions) (N):
- 43300
- 
							- C1- Dynamic Radial Rating (1 million revolutions) (N):
- 167000
- 
							- C0 - Static Radial Rating (N):
- 224000
- 
							- Ca90 - Dynamic Thrust Rating (90 million revolutions) (N):
- 25100
 
					| Delivery Locations | Delivery Time | 
| Europe | 1-3 Day | 
| North america | 2-4 Day | 
| Sounth america | 2-4 Day | 
| Oceania | 2-4 Day | 
| Asia | 1-3 Day | 
| Africa | 2-5 Day | 
 
				| Delivery Locations | Delivery Time | 
| Europe | 1-3 Day | 
| North america | 2-4 Day | 
| Sounth america | 2-4 Day | 
| Oceania | 2-4 Day | 
| Asia | 1-3 Day | 
| Africa | 2-5 Day | 
							Hongkong Hensen Bearing Co.,Ltd is a supplier of international professional import bearing with 20 years business history, we mainly offer: SKF、FAG、INA、TIMKEN、NSK、NTN、KOYO、NACHI、IKO、FYH、ASAHI、THK original imported brand bearings, if you want to know more information or to place an order for TIMKEN 39590A - 39528,Please feel free to contact me.
							Our products have wide models, delivery on time, We can provide standard and non-standard products, we are committed to providing customers with high-quality pre-sale service and after-sale service. Give you high quality products and excellent service, at the lowest price provide the best quality bearings, adhere to the concept of "take the customer as the center".We listen to the user's feedback information any time, to serve our customers better and perfect.
							We promise that we can offer the best products with best service to our customers. We will provide the TIMKEN 39590A - 39528 with best quality and competitive price for you.If you need TIMKEN 39590A - 39528 or other brand 39590A - 39528 Please feel free to contact us. Email:sales@hensenbearing.com
							
						
Inquiry us
Related Products
- 
							
								    TIMKEN HM88547/HM88511 Tapered Roller Bearing ** 
- 
							
								    TIMKEN 14120A-14273 Tapered Roller Bearing ** 
- 
							
								    TIMKEN 462A - 452 Tapered Roller Bearing ** 
- 
							
								    TIMKEN 28137-28317 Tapered Roller Bearing ** 
- 
							
								    TIMKEN 19138-19281 Tapered Roller Bearing ** 
- 
							
								    FAG 33112-A Tapered Roller Bearing 60*100*30 
- 
							
								    TIMKEN 5565 - 5535V Tapered Roller Bearing ** 
- 
							
								    TIMKEN 09076/09196 Tapered Roller Bearing ** 
 
        