HH914449 - HH914412 Timken Tapered Roller Bearing 66.675x136.525x57.150 mm
-
Brand:
-
Model:
HH914449 - HH914412
-
Availability:
IN STOCK
-
Trade Terms:
CIF
-
Payment Terms:
100% T/T or Western Union or PAYPAL in advances
-
Delivery Terms:
1-3 working days upon your payment
-
Shipping Terms:
Express Delivery or Air or Sea
-
Price:
Please contact Email sales@hensenbearing.com
-
We can provide the certificate of origin to ensure genuine products.Fast delivery , 3 years warranty
- The real photos haven't been uploaded yet,please contact us by phone or email to view our detailed actual pictures.
We are a one-stop supplier of high quality bearings. We can supply the best products at the lowest price.
Product Description
Timken HH914449 - HH914412 Imperial taper roller bearing priced cup & cone together 2.6250 inch (66.675 mm) inside x 7.0000 inch (177.800 mm) outside x 2.2500 inch (57.150 mm) width.
Timken offers the most extensive line of tapered roller bearings in the world. Tapered roller bearings consist of four interdependent components: the cone (inner ring), the cup (outer ring), the tapered rollers (rolling elements) and the cage (roller retainer). Tapered roller bearings are uniquely designed to manage both thrust and radial loads between a rotating and non-rotating member. The steeper the cup angle, the greater the ability of the bearing to handle thrust loads.
Industries:
Aerospace, agriculture, automotive, heavy truck, cement, aggregate, coal, oil and gas, construction, gear drives, machine tools, mining, paper, metals, rail and wind.
| CONE REFERENCE | CUP REFERENCE | ||||
|---|---|---|---|---|---|
| HH | 914449 | HH | 914412 | ||
| Heavy-Heavy Series | Cone Reference | Heavy-Heavy Series | Cup Reference | ||
Product Detailed Parameter
-
- Brand:
-
- Model:
- HH914449 - HH914412
-
- Availability:
- IN STOCK
-
- Type:
- Tapered Roller Bearing
-
- Weight (Kg):
- 7.8 Kg
-
- Cone Part Number:
- HH914449
-
- Cup Part Number:
- HH914412
-
- Related Assembly Number(s):
- HH914449-907A2
-
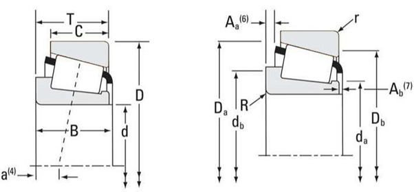
- d - Bore (mm):
- 66.675
-
- D - Cup Outer Diameter (mm):
- 177.800
-
- B - Cone Width (mm):
- 53.975
-
- C - Cup Width (mm):
- 37.308
-
- T - Bearing Width (mm):
- 57.150
-
- C90 - Dynamic Radial Rating (90 million revolutions) (N):
- 117000
-
- C1- Dynamic Radial Rating (1 million revolutions) (N):
- 451000
-
- C0 - Static Radial Rating (N):
- 413000
-
- Ca90 - Dynamic Thrust Rating (90 million revolutions) (N):
- 160000
| Delivery Locations | Delivery Time |
| Europe | 1-3 Day |
| North america | 2-4 Day |
| Sounth america | 2-4 Day |
| Oceania | 2-4 Day |
| Asia | 1-3 Day |
| Africa | 2-5 Day |
| Delivery Locations | Delivery Time |
| Europe | 1-3 Day |
| North america | 2-4 Day |
| Sounth america | 2-4 Day |
| Oceania | 2-4 Day |
| Asia | 1-3 Day |
| Africa | 2-5 Day |
Hongkong Hensen Bearing Co.,Ltd is a supplier of international professional import bearing with 20 years business history, we mainly offer: SKF、FAG、INA、TIMKEN、NSK、NTN、KOYO、NACHI、IKO、FYH、ASAHI、THK original imported brand bearings, if you want to know more information or to place an order for TIMKEN HH914449 - HH914412,Please feel free to contact me.
Our products have wide models, delivery on time, We can provide standard and non-standard products, we are committed to providing customers with high-quality pre-sale service and after-sale service. Give you high quality products and excellent service, at the lowest price provide the best quality bearings, adhere to the concept of "take the customer as the center".We listen to the user's feedback information any time, to serve our customers better and perfect.
We promise that we can offer the best products with best service to our customers. We will provide the TIMKEN HH914449 - HH914412 with best quality and competitive price for you.If you need TIMKEN HH914449 - HH914412 or other brand HH914449 - HH914412 Please feel free to contact us. Email:sales@hensenbearing.com
Inquiry us
Related Products
-
TIMKEN HM813841A - HM813811 Tapered Roller Bearing **
-
TIMKEN LM603049/LM603012 Tapered Roller Bearing **
-
TIMKEN 461 - 452 Tapered Roller Bearing **
-
TIMKEN 15106-15245 Tapered Roller Bearing **
-
TIMKEN 14138A-14273 Tapered Roller Bearing **
-
TIMKEN 365 - 362AC Tapered Roller Bearing **
-
TIMKEN 621 - 612A Tapered Roller Bearing **
-
TIMKEN 25580 - 25528 Tapered Roller Bearing **