HM212049A - HM212010 Timken Tapered Roller Bearing 66.675x122.238x38.100 mm
-
Brand:
-
Model:
HM212049A - HM212010
-
Availability:
IN STOCK
-
Trade Terms:
CIF
-
Payment Terms:
100% T/T or Western Union or PAYPAL in advances
-
Delivery Terms:
1-3 working days upon your payment
-
Shipping Terms:
Express Delivery or Air or Sea
-
Price:
Please contact Email sales@hensenbearing.com
-
We can provide the certificate of origin to ensure genuine products.Fast delivery , 3 years warranty
- The real photos haven't been uploaded yet,please contact us by phone or email to view our detailed actual pictures.
We are a one-stop supplier of high quality bearings. We can supply the best products at the lowest price.
Product Description
Timken HM212049A - HM212010 Imperial taper roller bearing priced cup & cone together 2.6250 inch (66.675 mm) inside x 4.8125 inch (122.238 mm) outside x 1.5000 inch (38.100 mm) width.
Timken offers the most extensive line of tapered roller bearings in the world. Tapered roller bearings consist of four interdependent components: the cone (inner ring), the cup (outer ring), the tapered rollers (rolling elements) and the cage (roller retainer). Tapered roller bearings are uniquely designed to manage both thrust and radial loads between a rotating and non-rotating member. The steeper the cup angle, the greater the ability of the bearing to handle thrust loads.
Industries:
Aerospace, agriculture, automotive, heavy truck, cement, aggregate, coal, oil and gas, construction, gear drives, machine tools, mining, paper, metals, rail and wind.
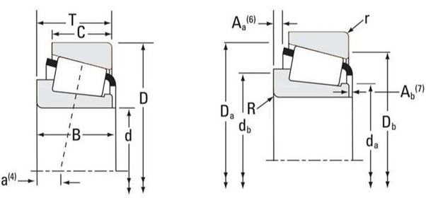
| CONE REFERENCE | CUP REFERENCE | ||||
|---|---|---|---|---|---|
| HM | 212049 | A | HM | 212010 | |
| Heavy-Medium Series | Cone Reference | Different Bore, Radius or Complement of Rollers from Basic Part Number | Heavy-Medium Series | Cup Reference | |
Product Detailed Parameter
-
- Brand:
-
- Model:
- HM212049A - HM212010
-
- Availability:
- IN STOCK
-
- Type:
- Tapered Roller Bearing
-
- Weight (Kg):
- 2 Kg
-
- Cone Part Number:
- HM212049A
-
- Cup Part Number:
- HM212010
-
- d - Bore (mm):
- 66.675
-
- D - Cup Outer Diameter (mm):
- 122.238
-
- B - Cone Width (mm):
- 38.354
-
- C - Cup Width (mm):
- 29.718
-
- T - Bearing Width (mm):
- 38.100
-
- C90 - Dynamic Radial Rating (90 million revolutions) (N):
- 69200
-
- C1- Dynamic Radial Rating (1 million revolutions) (N):
- 267000
-
- C0 - Static Radial Rating (N):
- 279000
-
- Ca90 - Dynamic Thrust Rating (90 million revolutions) (N):
- 40000
| Delivery Locations | Delivery Time |
| Europe | 1-3 Day |
| North america | 2-4 Day |
| Sounth america | 2-4 Day |
| Oceania | 2-4 Day |
| Asia | 1-3 Day |
| Africa | 2-5 Day |
| Delivery Locations | Delivery Time |
| Europe | 1-3 Day |
| North america | 2-4 Day |
| Sounth america | 2-4 Day |
| Oceania | 2-4 Day |
| Asia | 1-3 Day |
| Africa | 2-5 Day |
Hongkong Hensen Bearing Co.,Ltd is a supplier of international professional import bearing with 20 years business history, we mainly offer: SKF、FAG、INA、TIMKEN、NSK、NTN、KOYO、NACHI、IKO、FYH、ASAHI、THK original imported brand bearings, if you want to know more information or to place an order for TIMKEN HM212049A - HM212010,Please feel free to contact me.
Our products have wide models, delivery on time, We can provide standard and non-standard products, we are committed to providing customers with high-quality pre-sale service and after-sale service. Give you high quality products and excellent service, at the lowest price provide the best quality bearings, adhere to the concept of "take the customer as the center".We listen to the user's feedback information any time, to serve our customers better and perfect.
We promise that we can offer the best products with best service to our customers. We will provide the TIMKEN HM212049A - HM212010 with best quality and competitive price for you.If you need TIMKEN HM212049A - HM212010 or other brand HM212049A - HM212010 Please feel free to contact us. Email:sales@hensenbearing.com
Inquiry us
Related Products
-
TIMKEN JL69349/JL69310 Tapered Roller Bearing **
-
TIMKEN JL69349X/JL69310 Tapered Roller Bearing **
-
TIMKEN JL69349A/JL69310 Tapered Roller Bearing **
-
TIMKEN 19149X/19267X Tapered Roller Bearing **
-
TIMKEN 13890-13830 Tapered Roller Bearing **
-
TIMKEN LM603049 - LM603011 Tapered Roller Bearing **
-
TIMKEN 18780 - 18720 Tapered Roller Bearing **
-
TIMKEN 2776-2731 Tapered Roller Bearing **